双向AC/DC变流器产品特性
1、高效转换
三电平拓扑,转换效率最高98.5%;
高动态响应,满载充放电切换时间低至10ms;
2、安全可靠
组串式设计,直流电压范围宽,支持梯次电池使用;
并离网无缝切换,与STS搭配可提供不间断后备电源;
3、智能协同
具备VSG / PQ / VF多种运行模式;
具备离网并机、黑启动功能;
4、电网友好
具备LVRT和HVRT功能;
具备有功、无功四象限调节功能;
双向AC/DC变流器产品参数

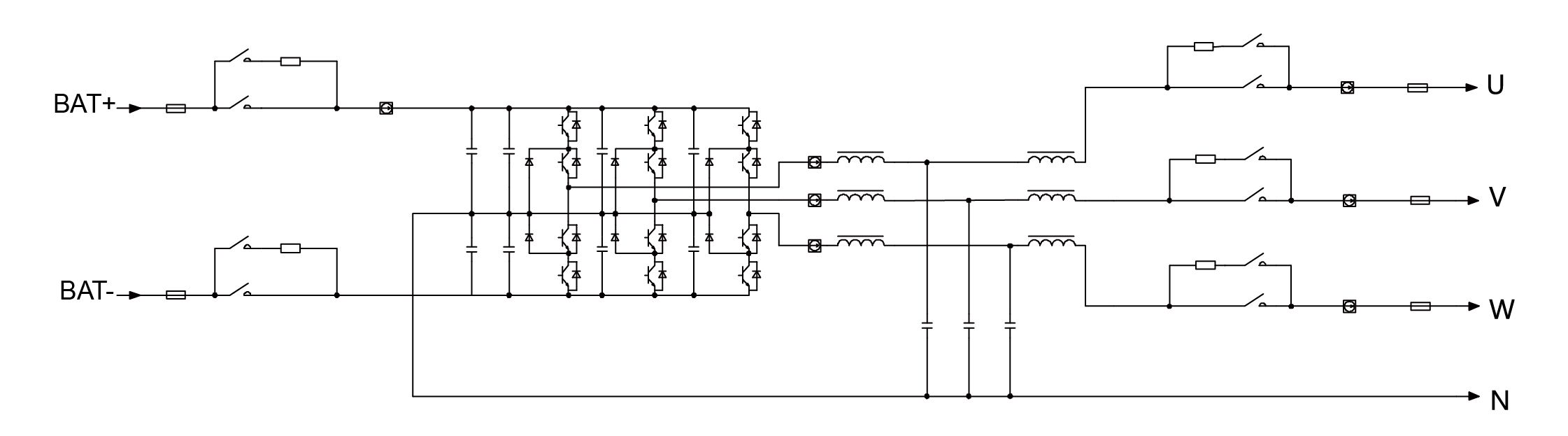
双向AC/DC变流器产品应用图

运用领域
相关材料
上一产品